schéma unifilaire photovoltaique
Dans un monde où les enjeux environnementaux deviennent cruciaux, l’énergie solaire est en passe de transformer notre manière de consommer de l’électricité. Le schéma unifilaire photovoltaïque se révèle être un outil essentiel pour optimiser cette ressource. Grâce à sa capacité à simplifier la compréhension d’un système photovoltaïque, il permet aux professionnels de concevoir des installations efficaces. Mais qu’est-ce qu’un schéma unifilaire, et pourquoi est-il si important ? Plongeons au cœur de cette méthode, en explorant ses composantes, ses applications, et les marques leaders qui l’illustrent.
Qu’est-ce qu’un schéma unifilaire photovoltaïque ?
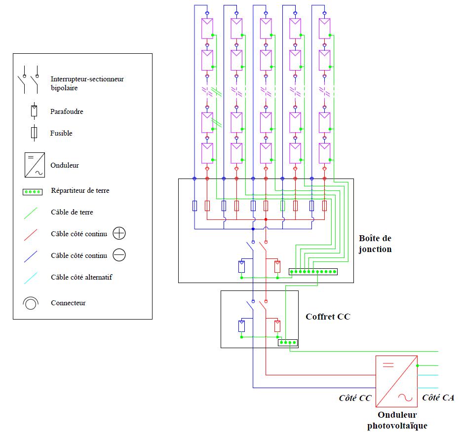
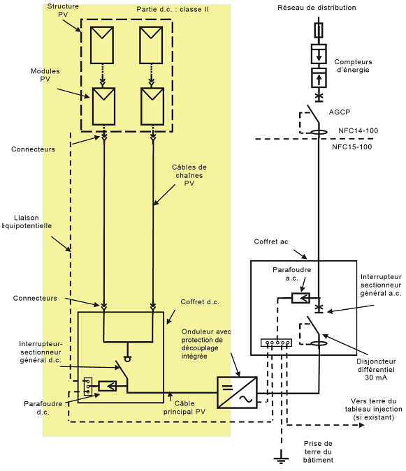
Le schéma unifilaire est une représentation graphique des circuits électriques d’un système photovoltaïque. Contrairement à un schéma multifilaire, qui peut être complexe et difficile à lire, le schéma unifilaire présente toutes les informations nécessaires de manière claire et concise.
Ce type de schéma est particulièrement utile dans le cadre de l’installation et de la maintenance des panneaux solaires. Il permet de visualiser les différents équipements, tels que les onduleurs, les panneaux solaires, les batteries et les protections, tout en offrant une vue d’ensemble sur la manière dont le courant circule.
Pourquoi utiliser un schéma unifilaire ?
Utiliser un schéma unifilaire pour les installations photovoltaïques présente plusieurs avantages :
- Simplicité : La représentation simplifiée facilite la compréhension pour tous, même pour ceux qui ne sont pas des experts en électricité.
- Clarté : En évitant la surcharge d’informations, le schéma unifilaire rend les informations essentielles plus accessibles.
- Maintenance : En cas de problème, ce type de schéma aide les techniciens à identifier rapidement les éléments en cause.
- Communication : Il facilite les échanges entre les différents acteurs du projet (installateurs, ingénieurs, clients).

Les composants d’un schéma unifilaire photovoltaïque
Pour concevoir un schéma unifilaire efficace, certains composants sont essentiels :
- Panneaux solaires : Ce sont les principales unités de génération d’énergie.
- Onduleur : Un appareil crucial qui convertit le courant continu (DC) produit par les panneaux en courant alternatif (AC) utilisable.
- Disjoncteurs et fusibles : Ils assurent la protection de l’installation contre les surcharges.
- Batteries : Elles stockent l’énergie produite pour une utilisation ultérieure.
- Régulateurs de charge : Ils gèrent le flux d’énergie vers les batteries.
L’importance du schéma unifilaire dans l’installation photovoltaïque
Lors de l’installation d’un système photovoltaïque, le schéma unifilaire devient indispensable. Il ne suffit pas simplement de connecter les panneaux solaires ; il faut également tenir compte des interactions entre les différents composants. C’est pourquoi un schéma bien conçu peut grandement améliorer le processus d’installation.
Intégration des marques leader
Les entreprises telles que Schneider Electric, SMA Solar Technology, Fronius et SolarEdge jouent un rôle clé dans l’élaboration de ces schémas. Chacune de ces marques propose des solutions innovantes qui peuvent être intégrées dans un schéma unifilaire. Par exemple :
- Schneider Electric : Réputée pour ses systèmes de gestion de l’énergie, cette entreprise améliore l’efficacité énergétique des installations.
- SMA Solar Technology : Innovant dans la production d’onduleurs, leurs produits sont conçus pour maximiser la production d’énergie.
- Fronius : Connu pour ses onduleurs de haute qualité, ils sont souvent utilisés dans des installations de grande envergure.
- SolarEdge : Cette marque intègre des optimisateurs de puissance qui peuvent être représentés dans un schéma unifilaire.

Exemple d’application d’un schéma unifilaire
Pour illustrer l’importance du schéma unifilaire, prenons l’exemple d’une entreprise ayant récemment installé un système photovoltaïque. Grâce à un schéma approprié, l’équipe a pu :
- Optimiser le placement des panneaux : En tenant compte de l’orientation et de l’inclinaison.
- Minimiser les pertes d’énergie : En intégrant des onduleurs de qualité, notamment ceux proposés par ABB et Victron Energy.
- Faciliter la maintenance : Identification rapide des composants défaillants grâce à la clarté du schéma.
- Assurer la conformité : En respectant les normes en vigueur, comme celles établies par KACO new energy et Tigo Energy.
Les défis du schéma unifilaire dans la pratique énergétique
Bien que bénéfique, la création d’un schéma unifilaire comporte des défis. Les installations photovoltaïques peuvent être complexes, et la mauvaise interprétation d’un schéma peut entraîner des erreurs coûteuses.
Les risques d’un schéma mal réalisé
Un schéma unifilaire mal conçu peut avoir des conséquences graves. Parmi les risques, on trouve :
| Type de risque | Conséquence |
|---|---|
| Surdimensionnement des composants | Coûts d’installation et d’exploitation accrus. |
| Sous-dimensionnement des câbles | Risques de surchauffe et d’incendie. |
| Mauvaise interface entre les composants | Diminution de l’efficacité du système. |
| Non-conformité aux normes | Sanctions administratives et coûts de remise en conformité. |
Comment éviter les erreurs fréquentes ?
Pour minimiser ces risques, un certain nombre de bonnes pratiques doivent être adoptées :
- Vérification des normes : S’assurer que le schéma respecte les règlements électriques en vigueur.
- Consulter des experts : Collaborer avec des professionnels disposant d’expérience reconnue, notamment auprès de marques comme Fronius ou SMA Solar Technology.
- Formation continue : Participer à des ateliers et des formations pour rester à jour sur les innovations et les meilleures pratiques.
Le futur des schémas unifilaires dans le secteur photovoltaïque
Alors que la demande pour des énergies renouvelables continue de croître, le schéma unifilaire doit également évoluer. Certaines tendances émergent déjà dans ce domaine, offrant un aperçu de l’avenir des installations photovoltaïques.
Solutions innovantes à l’horizon
Avec l’avènement de technologies intelligentes, plusieurs innovations pourraient transformer la manière dont les schémas unifilaires sont réalisés :
- Intelligence artificielle : Cette technologie pourrait optimiser le design des systèmes basés sur des données en temps réel.
- Internet des objets (IoT) : L’intégration d’appareils connectés permettrait de collecter des informations précieuses pour améliorer l’efficacité.
- Outils de simulation : L’utilisation de logiciels de simulation avancés, tels que ceux de Victron Energy, peut aider à prévoir le comportement d’un système avant son installation.
Le schéma unifilaire devient donc un élément incontournable à l’intersection de l’ingénierie et de l’écologie. À l’ère des énergies renouvelables, il joue un rôle déterminant dans la trajectoire vers un avenir énergétique durable.
Appel à l’innovation
En tant qu’acteurs du secteur, il est essentiel de poursuivre l’amélioration des schémas unifilaires, tout en intégrant des marques et des technologies de pointe. Le défi réside non seulement dans l’optimisation des installations, mais aussi dans l’éducation des utilisateurs à travers des ressources et formations adaptées.
Le paysage de l’énergie renouvelable est en constante évolution. Rester informé et être prêt à s’adapter est essentiel pour tirer le meilleur parti des systèmes photovoltaïques. Les schémas unifilaires ne sont que le début d’un voyage vers une transformation énergétique globale, et chaque acteur a un rôle à jouer.



Laisser un commentaire