schéma de raccordement photovoltaïque autoconsommation
Aperçu du schéma de raccordement photovoltaïque en autoconsommation
Les systèmes photovoltaïques se développent en France, en particulier dans le cadre de l’autoconsommation. Les panneaux solaires, ou photovoltaïques, permettent de transformer l’énergie solaire en électricité pour une utilisation personnelle. Ce modèle énergétique non seulement réduit les factures d’électricité, mais contribue également à la protection de l’environnement grâce à l’utilisation de l’énergie verte. La compréhension du schéma de raccordement est essentielle pour optimiser la rentabilité et la productivité d’une installation. À travers cet article, nous allons explorer en profondeur le fonctionnement des raccordements photovoltaïques, les différents équipements nécessaires, ainsi que les aspects techniques et réglementaires à considérer.

Les composants d’un système photovoltaïque pour autoconsommation
Comprendre les différents composants d’un système photovoltaïque est fondamental pour quiconque envisage l’autoconsommation. Chaque élément joue un rôle critique dans l’efficacité globale du raccordement et la production d’électricité à partir du soleil.
Les panneaux solaires
Les panneaux solaires sont le cœur d’un système photovoltaïque. Ils sont composés de cellules photovoltaïques qui, lorsqu’elles sont soumises à la lumière du soleil, produisent de l’électricité. Il existe plusieurs types de panneaux, notamment :
- Panneaux monocristallins
- Panneaux polycristallins
- Panneaux à couche mince
Le choix des panneaux impacte directement l’efficacité énergétique et la durabilité de l’installation. Des marques comme SunPower France et Solaris France offrent des options variées adaptées à différentes configurations.
Les onduleurs
Les onduleurs sont des dispositifs qui convertissent le courant continu (CC) produit par les panneaux solaires en courant alternatif (CA) utilisable dans nos foyers. Ils jouent un rôle clé en optimisant la production d’électricité, et certains modèles permettent même de piloter les performances des panneaux. Il existe différentes catégories d’onduleurs :
- Onduleurs centralisés
- Onduleurs string
- Micro-onduleurs
Chaque type a ses avantages et inconvénients, et le choix dépendra de la configuration de l’installation et des besoins énergétiques.
Les systèmes de stockage d’énergie
Pour maximiser l’utilisation de l’énergie verte générée, l’ajout de batteries de stockage s’avère très utiles. Cela permet de conserver l’énergie produite pendant la journée pour une utilisation nocturne. Des marques comme EcoEnergia proposent des solutions de stockage adaptées aux installations domestiques. Les systèmes de batteries populaires incluent les technologies lithium-ion et plomb-acide, chacune offrant des caractéristiques technologiques distinctes.
Raccordement des installations photovoltaïques
Le raccordement d’une installation photovoltaïque à une habitation nécessite une compréhension approfondie des normes et réglementations en vigueur. Cela inclut le raccordement au réseau électrique, ainsi que la conformité aux exigences de sécurité.
Raccordement au réseau électrique
Le raccordement des installations photovoltaïques implique de se connecter au réseau de distribution d’Électricité. Ce processus doit être conforme aux normes établies par Enedis. Le raccordement peut être effectué de deux manières :
- Raccordement en autoconsommation avec injection sur le réseau
- Raccordement pour une consommation totalement autonome
Cette décision influencera non seulement le retour sur investissement, mais aussi la façon dont l’électricité sera utilisée. Pour en savoir plus sur les coûts associés à ce raccordement, consultez des liens spécialisés comme le coût du raccordement Enedis.
Normes et réglementation
Avant d’installer un système photovoltaïque, il est impératif de connaître les normes en vigueur. En France, il existe plusieurs instances régulatrices qui supervisent la sécurité et la qualité des installations, comme l’Afepme et le Certificat de conformité. Ces normes concernent aussi bien la qualité des équipements que la sécurité des installations. Il est crucial de s’assurer que l’installateur respecte toutes les réglementations, notamment en matière de sécurité électrique.
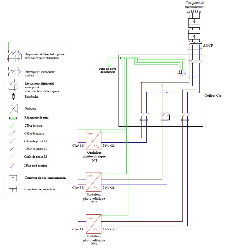
Schéma de raccordement et mise en service
Le schéma de raccordement présente les différentes étapes et connexions entre les composants. Un bon schéma facilitera la mise en service et contribuera à une meilleure maintenance de l’installation. Voici un tableau récapitulatif des composants et de leur fonction dans un système photovoltaïque.
| Composant | Fonction |
|---|---|
| Panneaux solaires | Production d’électricité à partir de l’énergie solaire |
| Onduleurs | Conversion du courant continu en courant alternatif |
| Batteries de stockage | Conservation de l’électricité pour une utilisation ultérieure |
| Compteur de production | Mesure et suivi de l’énergie produite |

Les avantages de l’autoconsommation photovoltaïque
L’autoconsommation photovoltaïque présente de nombreux avantages, tant sur le plan économique qu’environnemental. Elle est devenue une option de choix pour les ménages et les entreprises souhaitant s’engager dans une démarche d’énergie verte.
Économies financières
L’un des principaux attraits de l’autoconsommation est l’économie réalisée sur les factures d’électricité. Premier bénéficiaire, le consommateur peut réduire significativement ses dépenses. Par ailleurs, l’éventuelle vente du surplus d’électricité permet d’augmenter le retour sur investissement. Cela se traduit par de nombreuses solutions intéressantes sur le marché :
- Aides financières et subventions à l’installation
- Taux de retour sur investissement attrayant
- Économie des coûts d’électivité grâce à l’autoconsommation
Bénéfices environnementaux
En utilisant l’énergie solaire, les ménages contribuent à la réduction des émissions de gaz à effet de serre. C’est ainsi un pas vers un avenir plus durable. Selon certaines études, l’énergie photovoltaïque pourrait permettre de réduire d’importantes quantités de CO2 dans l’atmosphère. L’intégration des solutions d’énergie verte se traduit non seulement par des bénéfices économiques, mais aussi par une meilleure qualité de vie.
Indépendance énergétique
Opter pour un système photovoltaïque favorise l’autonomie énergétique. Les utilisateurs sont moins dépendants des fluctuations des prix de l’énergie, en particulier avec l’augmentation des prix de l’électricité. Être autonome énergétiquement permet de mieux gérer ses consommations et de s’affranchir des réseaux électriques parfois instables. Ce modèle d’autoconsommation est en accord avec les aspirations de nombreux consommateurs à devenir de véritables producteurs d’énergie.

Le processus d’installation d’un système photovoltaïque
L’installation d’un système photovoltaïque demande planification et expertise. Cela inclut l’étude de faisabilité, le choix des équipements appropriés et le respect des délais d’exécution. Voici les principales étapes d’une installation réussie.
Étude de faisabilité
Avant l’installation, une étude de faisabilité complète est indispensable. Cela comprend l’analyse du site, l’évaluation de la consommation d’énergie et des besoins spécifiques du client. Certains points à examiner incluent :
- Orientation et inclinaison du toit
- Ombres potentielles sur les panneaux
- Consommation énergétique quotidienne
Une bonne étude de faisabilité garantit non seulement une installation optimale, mais également des performances maximales tout au long de la vie du système.
Choix des équipements et des marques
Le choix des équipements est un critère déterminant pour le succès de l’installation. Il est essentiel de se tourner vers des marques reconnues telles que Green Energy Solutions qui offrent des produits de qualité. Les panneaux, onduleurs et systèmes de stockage doivent être compatibles et adaptés aux besoins spécifiques du client. Un bon installateur saura vous guider dans ce processus.
Installation et mise en service
La phase d’installation requiert des compétences techniques. Un professionnel qualifié s’assurera que tous les composants sont correctement raccordés et conformes aux normes de sécurité. À l’issue de l’installation, une mise en service est effectuée pour vérifier la bonne fonctionnalité du système et s’assurer que tout fonctionne comme prévu. C’est aussi à ce moment que le réseau de distribution d’Électricité est raccordé afin que l’installation soit opérationnelle et conforme.
Entretien et maintenance des installations photovoltaïques
Une fois l’installation des panneaux solaires réalisée, il est primordial d’assurer un suivi régulier. Un bon entretien permet de conserver un haut niveau de performance et d’augmenter la longévité du système.
Importance de l’entretien
Un système photovoltaïque nécessite un entretien régulier pour fonctionner efficacement. Le nettoyage des panneaux solaires doit être effectué au moins une fois par an. De la poussière, des feuilles, ou même de la neige peuvent réduire la production d’électricité. En maintenant les panneaux en bon état, les utilisateurs maximisent leurs capacités de production d’énergie verte.
Vérifications techniques recommandées
En plus du nettoyage, plusieurs vérifications techniques doivent être effectuées :
- Contrôle de l’onduleur
- Vérification des connexions électriques
- Inspection de l’intégrité physique des panneaux
Les utilisateurs peuvent choisir de réaliser eux-mêmes certains de ces contrôles, ou faire appel à des professionnels pour un audit complet. Des sociétés spécialisées dans la maintenance de systèmes photovoltaïques comme Autonome Énergies proposent des services adaptés.
Suivi de la production
Utiliser un logiciel de suivi permet de surveiller en continu la production d’électricité. De nombreux onduleurs offrent des services connectés pour suivre en temps réel la performance du système. Cela donne aux utilisateurs une vue d’ensemble de leur consommation énergétique et peut prévenir des problèmes potentiels.
Il est clair que le domaine de l’autoconsommation photovoltaïque est prometteur et mérite une attention particulière. En se concentrant sur la qualité, la sécurité et une approche réfléchie de l’installation, il est possible d’atteindre une autonomie énergétique tout en respectant l’environnement. En investissant aujourd’hui dans l’énergie solaire, chacun contribue non seulement à réduire son empreinte carbone mais aussi à bâtir un futur énergétique durable et responsable.



Laisser un commentaire