schéma électrique installation photovoltaique
Schéma électrique pour une installation photovoltaïque
Les installations photovoltaïques gagnent en popularité en raison de leur capacité à produire de l’électricité à partir d’une source d’énergie renouvelable : le soleil. Il est crucial de bien comprendre le schéma électrique d’une installation photovoltaïque pour garantir son efficacité et sa réglementation. L’installation des panneaux solaires, les onduleurs, et les méthodes de raccordement sont autant d’aspects à maîtriser pour assurer un fonctionnement optimal. Cet article explore en profondeur les éléments essentiels d’un schéma électrique photovoltaïque, sa réalisation, ainsi que l’autoconsommation.
Comprendre les composants d’une installation photovoltaïque
La première étape pour élaborer un schéma électrique est de connaître les composants principaux d’une installation photovoltaïque. Voici un aperçu des éléments clés :
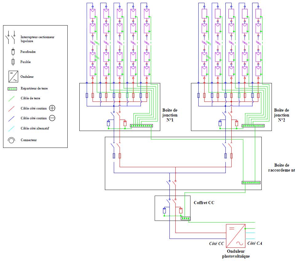
Panneaux solaires
Les panneaux, également appelés modules photovoltaïques, convertissent la lumière du soleil en électricité. Ils peuvent être installés sur le toit d’une maison ou sur une structure au sol.
Onduleurs
Les onduleurs, comme les inverters, transforment le courant continu (DC) produit par les panneaux en courant alternatif (AC) utilisable par les appareils électroménagers.
Système de gestion de l’énergie
Ce système est essentiel pour optimiser l’autoconsommation et la gestion de l’énergie produite. Des équipements comme le gestionnaire d’énergie Elios4you sont utilisés pour surveiller et gérer la production et la consommation.
Réalisation d’un schéma électrique pour une installation photovoltaïque
La conception d’un schéma électrique passe par plusieurs étapes. Commencer par définir les composants présents, puis établir les connexions entre ces éléments. Il existe généralement deux configurations dans les installations photovoltaïques : courant continu (DC) et courant alternatif (AC).
Schéma en courant continu (DC)
Dans cette configuration, l’électricité produite par les panneaux est directement envoyée à l’onduleur sans être convertie. Cela requiert une attention particulière quant aux protections et à la sécurité.
Schéma en courant alternatif (AC)
Ici, l’électricité est d’abord convertie par l’onduleur avant d’être utilisée. Ce schéma est souvent privilégié dans les installations résidentielles, car il est généralement plus sûr et plus efficace.
Meilleures pratiques pour une installation efficace
Lorsque l’on crée un schéma électrique pour une installation photovoltaïque, il est crucial de respecter certaines meilleures pratiques. Cela comprend des aspects tels que le respect des normes en vigueur et une bonne compréhension des règles de connexion.
Respecter les normes électriques
Les installations doivent être conformes aux normes comme la norme NF C 15-100. Cela assure la sécurité et la fiabilité de l’installation.
Vérifications régulières
Un entretien régulier des équipements permet d’assurer une longévité et un rendement optimal de l’installation. Des vérifications doivent être effectuées pour détecter et corriger d’éventuels défauts.
Évaluation de la performance d’une installation photovoltaïque
L’évaluation de la performance est cruciale pour garantir que l’installation atteint son potentiel maximum. La production d’énergie doit être régulièrement mesurée et comparée aux attentes initiales.
Utilisation de capteurs de performance
Les capteurs mesurent des paramètres tels que la production d’électricité et la consommation. Ces données aident à optimiser l’utilisation de l’énergie produite.
Ajustements en temps réel
Avec les technologies modernes, il est possible d’effectuer des ajustements en temps réel pour maximiser l’efficacité. Le système de gestion de l’énergie joue un rôle central à cet égard.
Autoconsommation et économies d’énergie
L’autoconsommation devient une option intéressante pour les particuliers souhaitant réduire leur facture d’énergie. Cela implique l’utilisation de l’énergie produite sur place au lieu de la revendre.
Avantages de l’autoconsommation
Les principaux avantages incluent la réduction des coûts d’énergie et l’indépendance vis-à-vis des fournisseurs d’énergie. Cela est particulièrement attractif dans le contexte des fluctuations des prix de l’énergie.
Régulation d’alimentation et stockage d’énergie
Pour maximiser l’autoconsommation, des solutions de stockage peuvent être envisagées. Les batteries permettent de conserver l’énergie produite pendant la journée et de l’utiliser le soir.
Conclusion et perspectives d’avenir pour les installations photovoltaïques
Alors que le monde évolue vers une transition énergétique, les installations photovoltaïques représentent une solution clé pour une production d’énergie propre. L’avenir des installations photovoltaïques semble prometteur, avec des innovations technologiques qui augurent d’une efficacité accrue et d’une meilleure accessibilité.
Liens utiles
Pour approfondir vos connaissances et effectuer votre installation, consultez ces ressources :


Laisser un commentaire