centrale photovoltaique schéma
Dans un monde de plus en plus conscient des enjeux environnementaux, les énergies renouvelables, et en particulier l’énergie solaire, s’imposent comme des solutions indispensables pour de nombreuses entreprises et particuliers. L’installation de panneaux photovoltaïques se démocratise, offrant une alternative viable aux sources d’énergie traditionnelles. L’objectif ? Réduire sa dépendance énergétique tout en réalisant des économies significatives sur ses factures d’électricité. Dans cet article, nous allons explorer les différentes étapes nécessaires pour dessiner un schéma d’installation de centrale photovoltaïque, en mettant l’accent sur les aspects essentiels comme le choix des composants, leur agencement optimal, et les meilleures pratiques pour maximiser la production d’énergie.
Identifier les composants clés d’une centrale photovoltaïque
Pour obtenir un schéma d’installation efficace, il est fondamental de bien définir les différents composants d’une centrale photovoltaïque. Voici les éléments essentiels à considérer :
- Panneaux photovoltaïques : Ils convertissent l’énergie solaire en électricité.
- Onduleur : Transforme le courant continu en courant alternatif.
- Régulateur de charge : Protège les batteries en évitant les surcharges.
- Batteries : Stockent l’énergie pour une utilisation ultérieure.
- Dispositifs de protection : Garantis la sécurité de l’installation, notamment par la mise à la terre.
Chacun de ces éléments joue un rôle crucial dans l’efficacité du système. Dans le cadre de l’installation, des marques comme SMA Solar Technology, Enphase Energy, et SolarEdge offrent des solutions variées adaptées aux besoins spécifiques.

Le rôle de chaque composant dans le schéma d’installation
Chaque composant a une fonction précise qui impacte la performance globale de votre système :
| Composant | Fonction |
|---|---|
| Panneaux photovoltaïques | Convertissent la lumière solaire en électricité. |
| Onduleur | Convertit le courant continu produit en courant alternatif utilisable. |
| Régulateur de charge | Empêche la surcharge et prolonge la durée de vie des batteries. |
| Batteries | Stockent l’énergie pour une utilisation lorsque le soleil ne brille pas. |
| Dispositifs de protection | Assurent la sécurité de l’installation contre les courts-circuits. |
Pour dessiner votre schéma, il est nécessaire de prendre en compte l’emplacement de ces éléments. Un mauvais agencement peut réduire l’efficacité de votre système. Pensez donc à la distance entre les panneaux et l’onduleur, par exemple, afin d’optimiser la performance.
Définir l’emplacement optimal des composants
Le choix de l’emplacement des panneaux solaires est l’une des étapes les plus stratégiques de votre installation. Une bonne orientation et inclinaison sont indispensables pour maximiser la captation de l’énergie solaire. Voici quelques conseils pour optimiser cet emplacement :
- Orientation optimale : Les panneaux doivent être orientés vers le sud pour capter le maximum de lumière.
- Inclinaison : Un angle d’environ 30 degrés est idéal selon les régions.
- Zone d’ombre : Évitez les ombres provenant d’arbres ou de bâtiments qui pourraient interférer.
- Facilité d’accès : Assurez-vous que les panneaux et les équipements soient facilement accessibles pour l’entretien.
Un scénario typique pourrait illustrer le choix d’une toiture inclinée, où l’accessibilité et l’orientation favorisent une collecte optimale de l’énergie solaire.
Considérations pour le dimensionnement et le réseau électrique
Lors de la configuration de l’installation, il est crucial d’améliorer la dimension de votre système par rapport à vos besoins énergétiques. Un calcul précis de la consommation électrique quotidienne s’impose pour dimensionner les panneaux photovoltaïques et les batteries. Voici un exemple typique de dimensionnement :
| Consommation (kWh/jour) | Dimension des panneaux nécessaires (kW) |
|---|---|
| 10 | 1.0 |
| 20 | 2.0 |
| 30 | 3.0 |
En prenant en compte les conditions météorologiques- ainsi que les variations saisonnières, ce dimensionnement vous permettra d’éviter des périodes de pénurie d’énergie.
Elaboration du schéma d’installation
Le processus de création d’un schéma d’installation est une étape fondamentale, car il permet de visualiser l’agencement et les connexions de tous les composants. Commencez par dessiner un plan détaillé du site, puis incluez les liaisons électriques.
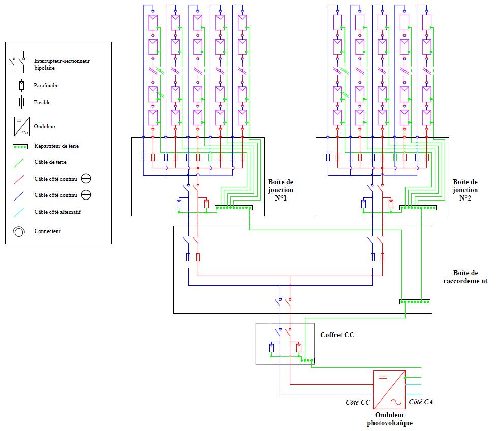
- Utilisez des symboles normalisés pour représenter chaque élément, facilitant ainsi la compréhension du schéma.
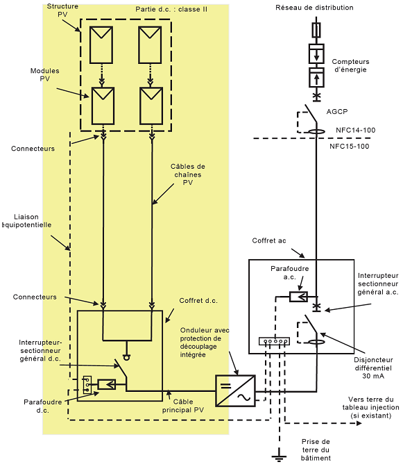
- Indiquez les connexions électriques qui relient les composants, tout en respectant les normes électriques en vigueur, comme la NF C 15-100.
- Prévoir un schéma de mise à la terre est crucial pour la sécurité, en évitant les risques d’électrocution.
Des marques comme TotalEnergies et EDF Renouvelables offrent des outils de conception qui peuvent vous aider à établir votre schéma d’installation.

Normes et sécurité dans le schéma d’installation
La sécurité est primordiale lors de l’installation de panneaux solaires. Le respect des normes, notamment la mise à la terre, garantit le bon fonctionnement et la sécurité de l’installation. Il est essentiel de documenter chaque étape, et de s’assurer que votre schéma respecte les exigences en matière de sécurité électrique :
- Mise à la terre des panneaux : Cruciale pour éviter les défaillances électriques.
- Type de câbles : Utilisez des câbles appropriés pour lutter contre l’usure due aux conditions extérieures.
- Protection des connexions : Protégez les liaisons électriques avec des dispositifs adéquats pour réduire les risques d’incendie.
Optimisation de la production d’énergie
Une fois le système installé, l’optimisation devient un enjeu clé. Il n’est pas suffisant d’installer des panneaux, il faut s’assurer qu’ils fonctionnent à leur pleine capacité.
Voici quelques techniques pour améliorer votre système :
- Utilisation des MPPT (Maximum Power Point Tracking): Cette technologie maximise la production d’énergie en ajustant le fonctionnement des panneaux en fonction des conditions d’éclairement.
- Entretien régulier: Il consiste à nettoyer les panneaux pour éviter toute obstruction par la saleté ou la poussière.
- Surveillance de la performance: Utilisez des logiciels d’analyse pour surveiller et optimiser la production énergétique.
Implémentation de dispositifs de stockage intelligents
Les systèmes de stockage, comme ceux proposés par Fronius et Risen Energy, permettent de stocker l’énergie pour une utilisation ultérieure, notamment durant les périodes de faible production. Ces dispositifs garantissent une meilleure autonomie en énergie, et sont d’autant plus pertinents pour ceux qui souhaitent opter pour l’autoconsommation.
La quête d’énergie renouvelable prend tout son sens lorsqu’elle est accompagnée de solutions technologiques innovantes. Ce champ des possibles est à explorer avec sérieux et engagement. Que vous soyez un particulier ou un professionnel, l’installation d’une centrale photovoltaïque est une opportunité à ne pas manquer. Pour des ressources supérieures, consultez des liens tels que Wattuneed ou EDF pour des schémas et guides supplémentaires.




Laisser un commentaire