raccordement photovoltaïques
Le secteur de l’énergie durable est en constante évolution, et le raccordement photovoltaïque s’impose comme une étape cruciale pour optimiser l’utilisation de l’énergie solaire. Les propriétaires d’entreprises et de logements se tournent de plus en plus vers cette solution pour réduire leur empreinte carbone et alléger leurs factures d’énergie. Mais quel est réellement le fonctionnement du raccordement photovoltaïque, ses enjeux, et les étapes à suivre ? Cet article dévoile les clés du succès pour réaliser un raccordement efficace et sécurisé.
Comprendre le raccordement photovoltaïque : définition et enjeux
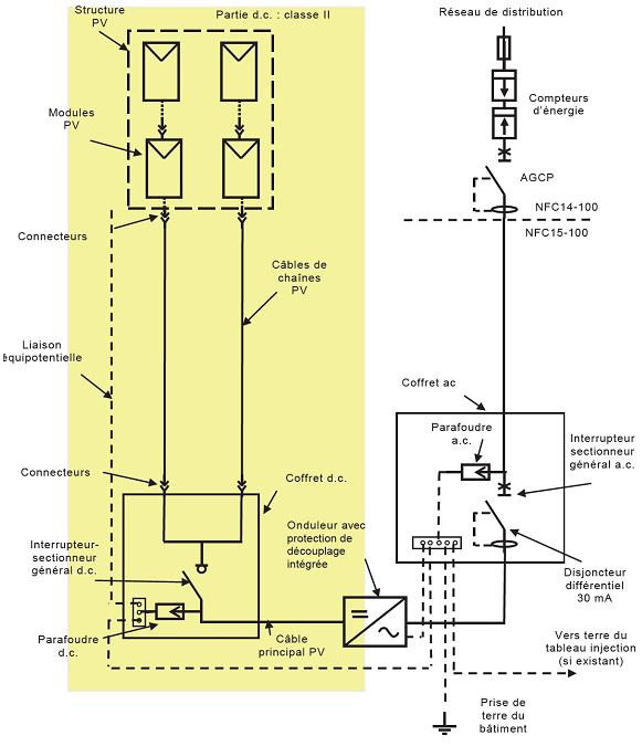
Le raccordement photovoltaïque est le processus par lequel un système de production d’électricité, issu de panneaux solaires, est connecté au réseau électrique, qu’il soit public ou privé. Cette intégration est essentielle pour permettre la revente d’électricité excédentaire produite et garantir une alimentation continue en électricité lorsque la production solaire est insuffisante.
Le raccordement implique l’installation d’un onduleur qui transforme le courant continu produit par les panneaux solaires en courant alternatif, ce dernier étant nécessaire pour alimenter les appareils électroménagers et le réseau électrique. Mais pourquoi cette étape est-elle si essentielle ? Voici quelques raisons clés :
- Autonomie énergétique : Le raccordement offre la possibilité de consommer sa propre production d’électricité, réduisant ainsi les factures d’énergie.
- Revente de surplus : Une fois le raccordement réalisé, il devient possible de vendre l’électricité excédentaire à un fournisseur, contribuant ainsi à une économie circulaire.
- Contributions à la transition énergétique : En intégrant les énergies renouvelables dans le réseau, chaque entreprise ou particulier participe à la réduction des émissions de gaz à effet de serre.
Pour anticiper le raccordement, il est crucial de choisir des panneaux de qualité, comme ceux de JA Solar ou Trina Solar, et d’avoir une vision claire des enjeux liés à l’autoconsommation et la revente d’énergie. Chaque projet est unique, et se poser les bonnes questions dès le départ aide à établir des objectifs clairs.
Un aspect à prendre en compte est la collaboration avec des professionnels, qu’il s’agisse d’installateurs spécialisés ou de conseillers énergétiques. Par exemple, faire appel à des experts comme Schneider Electric ou SolarEdge permet de sécuriser le processus de raccordement.

Les étapes clés du raccordement photovoltaïque
Le raccordement photovoltaïque nécessite une série d’étapes administratives et techniques soigneusement orchestrées. Voici un aperçu des principales étapes à suivre :
- Évaluation du projet : Avant toute chose, il est essentiel de définir si l’on souhaite se lancer dans l’autoconsommation totale, la vente de surplus ou une combinaison des deux.
- Demande d’autorisation d’urbanisme : Selon le lieu d’implantation du projet, il peut être nécessaire de déposer une autorisation d’urbanisme auprès de la mairie.
- Demande de raccordement auprès d’Enedis : Après avoir finalisé les démarches administratives, la demande de raccordement doit être soumise à Enedis, accompagné de documents techniques pertinents.
- Proposition de raccordement : Enedis étudie la demande et envoie une proposition incluant des conditions spécifiques, le coût et les délais de réalisation.
- Réalisation des travaux : Cette étape consiste à réaliser les travaux de raccordement, souvent supervisés par des experts de l’électricité.
- Mise en service : Une fois le raccordement fait, Enedis assure la mise en service finale, permettant la connexion électrique au réseau.
| Étape | Durée estimée | Document requis |
|---|---|---|
| Évaluation du projet | 1-2 semaines | N/A |
| Demande d’autorisation | 1-4 semaines | Demande urbanisme |
| Demande de raccordement | 1-2 semaines | Formulaire de demande |
| Proposition de raccordement | 6 semaines | Réponse de raccordement |
| Réalisation des travaux | 2-4 semaines | Délais de travaux |
| Mise en service | 10 jours | Demande de mise en service |
Les coûts associés au raccordement photovoltaïque
Un aspect fondamental à gérer lors de la planification d’un projet de raccordement est le budget. Les coûts liés au raccordement photovoltaïque peuvent varier considérablement en fonction de plusieurs facteurs, y compris la taille de l’installation, la complexité du raccordement et la distance au réseau électrique.
En général, un raccordement peut engendrer des frais allant de quelques centaines à plusieurs milliers d’euros. Pour les installations de 36 kVA, les coûts oscillent généralement entre 800 et 2 000 euros pour un raccordement à moins de 30 mètres du réseau électrique. Cependant, cela peut fluctuer en fonction des travaux nécessaires pour renforcer le réseau électrique, qui augmentent potentiellement le coût du raccordement.
Voici un aperçu des coûts typiques associés :
- Frais de branchement : 800 à 2 000 € pour 36 kVA.
- Travaux de renforcement du réseau : variable, en fonction des besoins.
- Coûts de génie civil : en cas de câblage souterrain, ceux-ci peuvent être significativement plus élevés.
Une bonne pratique consiste à inclure les frais de raccordement dans le devis de l’installateur lors de l’achat des panneaux solaires. Cela aide à anticiper les dépenses globales et à éviter des surprises une fois le projet lancé.
Aides financières pour le raccordement photovoltaïque
Pour inciter les particuliers et entreprises à investir dans la production d’énergie renouvelable, plusieurs aides financières sont disponibles. Ces subventions peuvent grandement diminuer le coût initial d’installation et de raccordement. Voici quelques-unes des principales aides :
| Aide | Montant potentiel | Conditions |
|---|---|---|
| Prime à l’autoconsommation | 100 à 400 €/kWc | En fonction de la puissance installée |
| Certificats d’économie d’énergie (CEE) | Variable | Basé sur le projet |
| Éco-prêt à taux zéro | Jusqu’à 30 000 € | Pour travaux d’amélioration énergétique |
Ces aides constituent une véritable opportunité pour réduire le montant total de l’investissement initial. Elles nécessitent cependant d’être bien renseigné sur leur disponibilité et les conditions d’éligibilité, ce qui peut être facilité par un installateur qualifié.
Les technologies et solutions innovantes pour un raccordement efficace
Le secteur photovoltaïque évolue rapidement et propose de nouvelles technologies qui optimisent le processus de raccordement et la gestion de l’énergie produite. L’importance d’une technologie appropriée ne saurait être sous-estimée dans l’ensemble du processus.
Les onduleurs, par exemple, sont les cerveaux de toute installation solaire. Des marques comme SMA, Fronius, et SolarEdge proposent des solutions performantes qui maximisent la production d’électricité. Lors du choix d’un onduleur, il est important de se concentrer sur :
- La puissance de l’onduleur par rapport à celle des panneaux.
- La compatibilité avec une solution de stockage d’énergie, comme celles de Enphase Energy et Victron Energy.
- Les options de suivi et de gestion à distance, facilitant la surveillance de la performance.
Les modules photovoltaïques, notamment ceux de Canadian Solar, doivent également être sélectionnés selon leur rendement et la garantie de performance. Envisager l’intégration de Renusol pour des solutions montées sur toiture optimales pourrait s’avérer bénéfique pour maximiser l’espace disponible.

Innovations en matière de gestion de l’énergie
Les systèmes de stockage, tels que les batteries, jouent un rôle clé dans l’optimisation de l’autoconsommation. Cela permet d’utiliser l’énergie produite lorsqu’elle est nécessaire, évitant ainsi le gaspillage pendant les périodes de faible consommation. Les dispositifs tels que ceux proposés par Enphase Energy offrent des solutions efficaces de gestion énergétique.
Enfin, l’innovation se heurte souvent à la question de la durabilité. Intégrer des systèmes de suivi de performance avancés permet d’optimiser le rendement de chaque installation, tout en facilitant les interventions de maintenance préventive.
Les aspects réglementaires et administratifs du raccordement photovoltaïque
Le raccordement photovoltaïque ne peut s’effectuer sans une compréhension approfondie des règles et réglementations en vigueur. En France, le cadre législatif encadrant la mise en réseau des installations solaires est complexe et nécessite une attention particulière.
Les étapes administratives impliquent souvent la soumission de plusieurs documents tels que :
- Autorisation d’urbanisme
- Certificat de non-opposition délivré par la commune
- Bilan de puissance pour valider la capacité des installations
Il est conseillé de faire appel à un mandataire si l’on se sent dépassé, car ce dernier peut gérer les démarches administratives efficacement, réduisant ainsi le risque d’erreurs qui pourraient retarder le projet. Une telle support peut faire la différence dans le traitement de votre demande auprès d’Enedis et faciliter le succès global de votre projet.
| Document | Rôle |
|---|---|
| Autorisation d’urbanisme | Valider la conformité avec le plan urbanisme local |
| Certificat de non-opposition | Confirmer que la commune n’oppose pas d’objections au projet |
| Bilan de puissance | Évaluer la capacité électrique de l’installation |
Au-delà des documents, il est essentiel d’être en relation directe avec Enedis pour assurer que chaque étape est suivie de manière correcte et dans les délais impartis. Les efforts pour comprendre ces processus administratifs peuvent s’avérer être déterminants pour la réussite du raccordement de l’installation photovoltaïque.



Laisser un commentaire