installateur kit gpl
Dans un monde où l’écologie et les économies d’énergie prennent de plus en plus d’importance, le choix du carburant de votre véhicule devient crucial. L’utilisation du GPL (Gaz de Pétrole Liquéfié) s’impose comme une solution viable, alliant respect de l’environnement et économies considérables sur le long terme. Les installateurs de kits GPL jouent un rôle essentiel dans cette transition, permettant à chaque conducteur de bénéficier des avantages offerts par cette technologie. Que vous soyez à la recherche d’un installateur kit GPL près de chez vous ou que vous souhaitiez comprendre davantage les services offerts, cet article vous guidera à travers les éléments essentiels concernant l’installation de kits GPL.
Opter pour un système GPL, c’est non seulement réduire votre empreinte carbone, mais également réaliser des économies importantes sur votre budget carburant. Avec une multitude d’installateurs certifiés disponibles, il est crucial de choisir un service qui répond à vos besoins spécifiques. De plus, plusieurs marques, telles que BRC, Prins ou Landi Renzo, offrent une large gamme d’options qui peuvent s’adapter à la plupart des véhicules. En explorant les différents aspects de l’installation de kits GPL, nous vous donnerons toutes les clés pour faire un choix éclairé.
L’importance du choix d’un installateur de kit GPL
Choisir un installateur de kit GPL est une étape cruciale qui détermine la qualité de votre conversion. Un installateur GPL certifié assure que l’installation respecte les normes de sécurité et de performance en vigueur. Cela vous garantit non seulement un fonctionnement optimal de votre véhicule, mais également une conformité avec la législation actuelle. Avec un bon installateur, vous pouvez compter sur des services d’entretien et de révision réguliers, essentiels pour maintenir votre système GPL en bon état.

Critères de sélection d’un installateur de kit GPL
Il existe plusieurs critères à prendre en compte lorsque vous choisissez un installateur de kit GPL. Voici quelques points importants à considérer :
- Certification : Assurez-vous que l’installateur est certifié et reconnu par les organismes compétents.
- Expérience : Recherchez des avis clients et des témoignages pour évaluer la qualité du service.
- Coûts : Demandez plusieurs devis et comparez les prix d’installation pour le prix d’installation kit GPL.
- Service après-vente : Vérifiez si l’installateur propose des services d’entretien adaptés.
En tenant compte de ces éléments, vous serez en mesure de choisir un installateur qui vous offrira une installation de qualité. De nombreux garages sont spécialisés dans l’installation de kits GPL, que ce soit à Paris, Marseille ou dans d’autres grandes villes.
Les avantages de la conversion au GPL
Passer au GPL présente de nombreux avantages, tant sur le plan économique qu’environnemental. En effet, le GPL est généralement moins cher que l’essence ou le diesel, ce qui entraîne une réduction significative de vos dépenses en carburant.
| Type de carburant | Coût par litre | Économie potentielle |
|---|---|---|
| Essence | 1,60 € | – |
| Diesel | 1,50 € | – |
| GPL | 0,90 € | jusqu’à 40% |
En plus de ces économies, le GPL est un carburant moins polluant, vous permettant de bénéficier de la vignette Crit’Air 1, ce qui vous donne accès à certaines zones à faibles émissions dans les grandes villes. Par conséquent, passer au GPL vous permet non seulement de réaliser des économies, mais également d’adopter un mode de transport plus respectueux de l’environnement.
Comprendre le fonctionnement d’un kit GPL
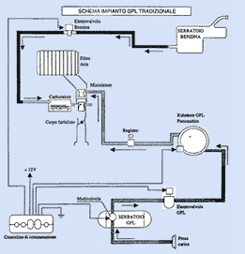
Un kit GPL fonctionne en remplaçant, en partie ou complètement, l’alimentation en carburant de votre véhicule. Le moteur diesel ou essence est converti pour pouvoir fonctionner avec du GPL, ce qui nécessite l’installation de plusieurs composants, tels que des réservoirs, des injecteurs et un système de contrôle électronique. Des marques comme BRC, Prins et Landi Renzo proposent des kits adaptés à divers types de véhicules et de moteurs.
Le premier élément à considérer est un bon injecteur GPL qui doit être de haute qualité pour assurer performance et longévité. Ensuite, les réservoirs doivent être adaptés au type de véhicule et bien installés pour éviter les fuites. Un bon installateur vous guidera sur le choix des pièces à utiliser et garantira un montage conforme à la réglementation. Vérifiez que votre installateur a l’expérience nécessaire pour effectuer une installation correcte.
Les différentes marques de kits GPL
Au fil des années, plusieurs marques ont su s’imposer sur le marché des kits GPL. Chacune d’elles propose des solutions spécifiques répondant aux besoins de différents types de véhicules et de budgets. Voici quelques marques de référence :
- BRC
- Prins
- Landi Renzo
- ItalGas
Ces marques offrent des gammes variées de produits, allant des kits d’entrée de gamme à des systèmes plus sophistiqués pour les moteurs performants. Les différences résident souvent dans la qualité des injecteurs, la capacité des réservoirs et les options de contrôle électronique. Pour un choix éclairé, il est préférable de consulter un installateur qui pourra vous donner des conseils sur le kit le mieux adapté à votre véhicule et à votre budget.

Le coût de l’installation d’un kit GPL
Lorsque vous envisagez d’installer un kit GPL, il est indispensable de comprendre le coût total impliqué. Le prix de l’installation kit GPL peut varier en fonction de plusieurs facteurs :
- Type de kit : Le prix des kit GPL BRC, Prins ou Landi Renzo diffère selon les spécificités techniques et la compatibilité avec votre véhicule.
- Type de véhicule : Les coûts d’installation peuvent varier selon le modèle et l’année de fabrication de votre véhicule.
- Atelier d’installation : Les tarifs peuvent aussi varier d’un garage à l’autre, ainsi qu’en fonction de leur réputation.
En moyenne, les coûts d’installation d’un kit GPL se situent entre 1 500 et 3 000 euros. Des aides gouvernementales peuvent également être disponibles pour réduire ce coût, notamment pour les véhicules anciens qui souhaitent passer à ce carburant moins polluant.
Les services associés à l’installation de kits GPL
Au-delà de l’installation, les installateurs de kits GPL offrent divers services que chaque conducteur devrait prendre en compte :
- Entretien régulier : Un bon installateur proposera un service d’entretien régulier pour garantir la performance optimale de votre système GPL.
- Assistance technique : En cas de panne ou de dysfonctionnement, un service d’assistance peut s’avérer essentiel.
- Homologation : Avant de mettre votre véhicule sur la route après installation, il est souvent nécessaire d’obtenir une homologation pour respecter les normes en vigueur.
Ces services complémentaires sont cruciaux pour assurer que votre véhicule fonctionne à son plein potentiel. En effet, une maintenance régulière du système GPL permet non seulement d’améliorer la sécurité du véhicule, mais également d’optimiser sa consommation de carburant.
Trouver un installateur GPL près de chez vous
Pour faciliter vos recherches, plusieurs plateformes en ligne vous permettent de trouver des installateurs GPL certifiés dans votre région. En utilisant des sites spécialisés, il est possible de consulter des avis clients et de comparer les services offerts par différents garages. Pensez à vérifier si le garage propose également des services de révision GPL pour maintenir votre système en bon état d’utilisation.
Une recherche locale en ligne vous permettra d’identifier les professionnels qualifiés dans votre secteur, ainsi que de demander des devis en ligne. Avec une multitude d’options disponibles, il est essentiel de bien évaluer vos choix avant de prendre une décision finale.
Opter pour l’installation d’un kit GPL est une décision bénéfique tant sur le plan financier qu’écologique. En cherchant un installateur fiable et certifié, vous vous engagez sur la voie d’un transport durable, tout en profitant des économies que cela engendre. Les kits GPL, comme ceux proposés par BRC ou Prins, représentent une excellente alternative pour tous ceux qui souhaitent réduire leur dépendance aux carburants fossiles.



Laisser un commentaire