chaine energie panneau photovoltaique
Décrypter la chaîne énergétique des panneaux photovoltaïques est essentiel pour maximiser son investissement et favoriser une consommation écoresponsable. La transition vers des sources d’énergie renouvelable comme l’énergie solaire devient chaque jour plus pressante, et comprendre comment fonctionne un panneau photovoltaïque est une étape indispensable dans cette réalisation. Grâce à cette technologie, il est désormais possible de produire de l’électricité directement à partir du soleil, offrant ainsi une alternative durable aux énergies fossiles.
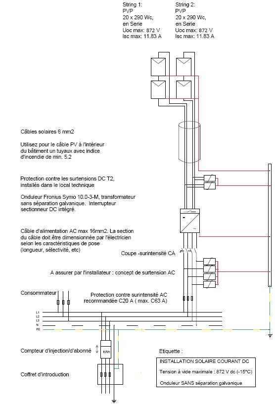
La chaîne énergétique d’un panneau photovoltaïque : compréhension des bases
La chaîne énergétique d’un panneau photovoltaïque recouvre plusieurs étapes, allant de la captation de la lumière solaire à la conversion de cette énergie en électricité. Les cellules photovoltaïques, souvent composées de silicium, jouent un rôle central dans cette transformation. Lorsque les photons de la lumière sont absorbés par ces cellules, ils provoquent le déplacement des électrons, générant ainsi un courant électrique. Ce processus est connu sous le nom d’effet photovoltaïque.

Pour optimiser la production d’électricité, plusieurs éléments doivent être pris en compte :
- Orientation et inclinaison des panneaux : Ces facteurs sont cruciaux pour maximiser l’exposition à la lumière du soleil.
- Technologie des cellules : Les panneaux monocristallins, polycristallins et bifaciaux présentent différentes efficacités qui influencent la production d’énergie.
- Intégration au réseau électrique : Cela inclut la conversion du courant continu produit en courant alternatif, ce qui est effectué par l’onduleur.
La gestion des performances est primordiale. L’efficacité d’un système photovoltaïque dépend de nombreux paramètres, y compris la température et l’entretien régulier des panneaux. En effet, des panneaux sales ou mal ventilés peuvent voir leur efficacité diminuer. Souligner l’importance de l’entretien régulier est donc essentiel pour garantir le rendement d’une installation.
| Type de Panneau | Efficacité (%) | Coût ($ par W) |
|---|---|---|
| Panneau Monocristallin | 15-22 | 0,80-1,00 |
| Panneau Polycristallin | 13-16 | 0,60-0,80 |
| Panneau Bifacial | 16-24 | 1,00-1,20 |
La conversion de l’énergie : un processus essentiel
Une fois que l’électricité est produite, elle doit être convertie en une forme utilisable. Ce rôle revient à l’onduleur, un appareil fondamental dans la chaîne énergétique des panneaux photovoltaïques. Il s’agit d’un dispositif qui transforme le courant continu généré par les panneaux en courant alternatif, le rendant compatible avec les appareils ménagers et le réseau électrique. Une bonne sélection de l’onduleur est donc tout aussi cruciale que le choix des panneaux.
Par ailleurs, la gestion de la consommation d’ordre des utilisateurs peut influencer de manière significative l’autoconsommation. Avoir un système de gestion intégré permet d’adapter l’utilisation de l’électricité à celle produite par les panneaux. De cette façon, les utilisateurs peuvent réduire leur dépendance à l’égard des fournisseurs d’électricité comme EDF ou Engie, et ainsi maximiser les bénéfices de leur installation photovoltaïque.
Évaluation de l’impact financier : avantages et inconvénients
L’un des principaux atouts de la chaîne énergétique des panneaux photovoltaïques est sa capacité à fournir une source d’énergie renouvelable et durable. En utilisant l’énergie solaire, les systèmes contribuent à réduire les émissions de gaz à effet de serre. Cela permet de respecter les engagements environnementaux pris par de nombreux gouvernements. En 2025, les prix des panneaux photovoltaïques continuent de baisser, rendant leur installation économiquement accessible à un plus grand nombre de ménages.

- Économie d’énergie : Réduction des factures d’électricité grâce à l’autoproduction.
- Aides et subventions : Plusieurs dispositifs de soutien contribuent à atténuer le coût d’installation initial, permettant un retour sur investissement rapide.
- Indépendance énergétique : Diminution de la dépendance aux fournisseurs d’énergie traditionnels.
Cependant, un investissement dans des panneaux photovoltaïques comporte aussi certains inconvénients. Les coûts initiaux restent un point de frein pour beaucoup potentiels utilisateurs. Bien que des aides comme celles de SNRG ou Energie Partagée existent, il est crucial d’évaluer le retour sur investissement avant de s’engager. De plus, la variation de la production d’énergie liée aux conditions météorologiques peut poser problème.
| Inconvénients | Détails |
|---|---|
| Coût initial élevé | Peut décourager certains utilisateurs potentiels. |
| Vulnérabilité climatique | La production d’énergie est influencée par l’ensoleillement et les intempéries. |
| Entretien | Nécessite un nettoyage régulier pour maintenir l’efficacité. |
Maximiser la production d’énergie : meilleures pratiques
Pour garantir des performances optimales, il est indispensable d’adopter des meilleures pratiques. Voici quelques recommandations qui peuvent aider à maximiser la production d’énergie des panneaux photovoltaïques :
- Positionnement optimal : Installer les panneaux dans un endroit dégagé, sans ombres portées.
- Entretien régulier : Effectuer des nettoyages avec des brosses spécifiques pour panneaux photovoltaïques afin d’éviter les pertes d’efficacité.
- Utilisation d’outils de suivi : Installer des systèmes de monitoring pour suivre la production d’énergie en temps réel et adapter la consommation.
Un suivi approprié des performances, couplé à une bonne gestion de l’énergie produite, assure une production d’électricité constante, même lorsque les conditions climatiques changent.
Les avancées technologiques dans le domaine photovoltaïque
La chaîne énergétique des panneaux photovoltaïques continue d’évoluer grâce à des innovations technologiques. De nouvelles technologies voient le jour, comme les panneaux à double face qui captent la lumière réfléchie, améliorant ainsi les rendements. Les entreprises comme Photowatt et Sunpower développent des systèmes de haute performance qui promettent d’augmenter encore plus l’efficacité des installations photovoltaïques.

Voici un aperçu des principales innovations dans le domaine :
- Panneaux bifaciaux : Ces modèles captent la lumière des deux côtés, augmentant ainsi la production d’énergie.
- Technologie des cellules à haute efficacité : Améliore le rendement des panneaux, réduisant ainsi le coût par kilowattheure produit.
- Intégration avec les systèmes de stockage : Permet aux utilisateurs de stocker l’énergie produite pour une utilisation ultérieure, augmentant ainsi l’indépendance énergétique.
| Innovation | Impact potentiel |
|---|---|
| Panneaux Bifaciaux | Jusqu’à 30% de production d’énergie en plus. |
| Cellules à haute efficacité | Réduction des coûts par watt produit. |
| Systèmes de stockage avancés | Augmentation de l’autoconsommation, réduisant les factures. |
À travers ces avancées, le secteur photovoltaïque se prépare à répondre à la demande croissante d’énergie renouvelable, tout en favorisant la transition énergétique. En 2025, il sera essentiel pour les ménages et les entreprises de rester informés des nouvelles technologies pour maximiser leur efficacité énergétique.
L’impact environnemental et sociétal des panneaux photovoltaïques
Les panneaux photovoltaïques ne contribuent pas seulement à réduire les coûts énergétiques, mais jouent également un rôle clé dans la lutte contre le changement climatique. En produisant de l’électricité à partir de ressources renouvelables, les panneaux contribuent à diminuer les émissions de gaz à effet de serre. Cela a des effets positifs sur l’environnement et la santé publique.
Voici quelques avantages environnementaux des panneaux solaires :
- Réduction des émissions de CO2 : Chaque kilowattheure d’énergie solaire produit évite la libération d’une quantité significative de CO2 dans l’atmosphère.
- Durabilité : Les systèmes photovoltaïques ont une durée de vie moyenne de 25 à 30 ans, offrant une source d’énergie fiable sur le long terme.
- Moins de dépendance des combustibles fossiles : En augmentant l’utilisation de l’énergie solaire, les pays peuvent réduire leur dépendance à l’égard des sources d’énergie non renouvelables.
| Critères | Impact Env. |
|---|---|
| Émissions de CO2 évitées par kWh | 0,5 kg/kWh |
| Durée de vie moyenne des panneaux | 25-30 ans |
| Taux de recyclage possible | 85% |
Les initiatives de politiques publiques, comme celles menées par Engie ou Voltalia, encouragent l’usage des énergies renouvelables, renforçant ainsi le rôle des installations photovoltaïques dans le paysage énergétique contemporain. En se concentrant sur l’éducation et la sensibilisation, le secteur solaire continue d’élargir son influence, apportant des bénéfices à la société dans son ensemble.



Laisser un commentaire